Bonjour à tous,
Cela fait un moment que je me promène sur le forum, et que je consulte les différents topics concernant la gestion “automatisée” de piscines de certains membres de la communauté.
Après avoir consulté ces différents topics et quelques années de réfection, je mets sur papier mon projet de gestion automatisée de notre piscine.
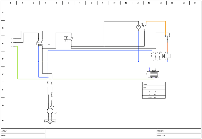
La piscine est une piscine de marque magiline, aujourd’hui celle-ci est gérée de manière “manuelle’“, un tableau électrique fournit par le constructeur, se trouvant à la cave, avec une commande “marche forcée”, ou “auto” avec un programmateur horaire. Dans le même tableau, la commande de l’éclairage se fait manuellement également. Au départ, une prise radio avait été ajoutée pour une commande à distance, la solution ne fonctionne plus à ce jour.
Voici le schéma du tableau actuel :
Dans un second local (chaufferie) se trouve un échangeur à plaque, reprenant les calories produites par une installation solaire thermique pour chauffer la maison et le bassin, cet échangeur est équipé d’un débitmètre à palette, ainsi que d’un circulateur de chauffage (contrainte sur cet échangeur, si l’eau du bassin ne circule pas, il ne faut pas faire circuler l’eau du circuit de chauffage dans le circuit).
Dans ce second local se trouve également une pompe doseuse. Cette pompe doseuse pilotée par un Arduino Uno servait à injecter périodiquement du chlore dans la piscine. Celle-ci peut être commandée par impulsion ou par commande analogique(0/4-20mA). Elle est également équipée de deux sorties relais programmables (aujourd’hui configurés pour remonter un défaut/avertissement côté pompe doseuse, et seconde sortie pour indiquer que le dosage est en cours).
Cette solution a été arrêtée, car l’installation ne permettait pas de modifier la quantité de dosage sans modifier le programme de l’arduino par l’aide d’un ordinateur (grosse contrainte, n’étant pas le seul à m’occuper de cette piscine quotidiennement).
Le traitement actuel du bassin se fait donc avec des galets de chlore, aucune solution d’analyse de l’eau automatique n’est en place pour le moment.
Voici le projet :
Le but du projet est de gérer de manière “intelligente” l’ensemble de la piscine :
-
Gestion de la filtration (auto, manu (commande manuelle distante ou physique));
- Le souhait est de conserver le programmateur ainsi que la commande manuelle déjà présente en cas de problème.
-
Gestion de l’éclairage (On/Off)
- Le souhait est également de conserver la commande physique en cas de problème.
-
Gestion du chauffage (consigne de température, température actuelle du bassin, etc.)
-
Gestion du traitement au chlore (Consigne de traitement, historique des valeurs).
- Commande de la pompe par impulsion ou signal analogique 0/4-20mA
-
Gestion du pH (Optionnel/ en second temps)
- Cela restera optionnel, n’ayant pas le matériel pour mettre cette partie en oeuvre, et le pH ne nécessitant pas un réajustement régulier.
Voici une carte mentale de ce projet :
Attention, celle-ci n’est pas définitive, beaucoup d’éléments restent à peaufiner.
Le tout doit pouvoir être commandé et supervisé depuis un écran de gestion physique, ainsi qu’à distance par l’intermédiaire de Home Assistant.
Pour ce projet, après avoir consulté les différentes solutions, mon choix s’est porté vers une IPX800 v5 (déjà en ma possession), en ajoutant un X-Display 2 pour centraliser la supervision locale. Petite précision, au début de ma réflexion, le module X-Pool n’avait pas encore été annoncé par GCE.
L’une de mes contraintes physiques est de disposer du tableau de gestion dans une pièce différente de la pièce où se trouvent les autres équipements. Ne souhaitant pas déporter le tableau actuel (contrainte de puissance, section de câbles, transformateur, etc.), l’idée serait de conserver l’emplacement du tableau actuel pour la commande de “puissance”, et déporter le reste de la gestion dans le second local.
J’envisage donc de disposer l’IPX avec un éventuel X-Pool pour la remontée des mesures (température, pH, ORP), et le reste des équipements dans ce second local “chaufferie”.
Pour la commande de puissance, j’envisage l’usage d’un X8-R Connect. Est-ce une bonne idée ?
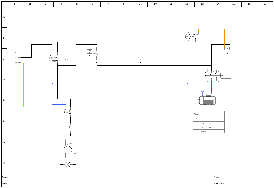
Voici deux schémas de ce à quoi pourrait ressembler la nouvelle installation :
Le premier, en conservant une commande de puissance en 230v :
Le second en introduisant une commande de puissance en 24v (conseils de collègues automaticiens) :
Attention, les calibres de disjoncteurs ne sont pas bons, tout comme la valeur de l’alimentation 24v.
Élément absent sur ces schémas, le retour d’informations concernant la commande physique de la partie puissance. J’avais dans l’idée de remonter sur l’IPX par l’intermédiaire du X8-R, l’état de la commande physique, en utilisant éventuellement des optocoupleurs éventuellement en entrée du X8-R.
Je dois également vérifier les contraintes du BUS EBX, en particulier concernant la distance séparant chaque extension.
Voici toutes mes interrogations :
Concernant l’utilisation d’un X8-R, pour la commande, est-il vraiment adapté pour mon cas d’usage? Est-ce que ses entrées et sorties peuvent être dissociées ? Acceptent-elles des entrées en 24v ? Est-ce que les relais peuvent commuter du 24v ?
Mon schéma intègre la commande de pompe doreuse par impulsion, est-ce que certains d’entre vous ont déjà trouvé des solutions pour une sortie analogique en 0-20mA depuis l’IPX?
Le projet devrait être réalisé avec plusieurs étapes :
1re étape : Gestion de la filtration + éclairage
2e étape : Gestion du traitement
3e étape : Gestion du chauffage
4e étape (nouveau/second projet) : gestion du chauffage du bassin en fonction de l’état de l’installation solaire.
N’hésitez pas à me corriger si vous voyez certaines erreurs, ou suggestions, je reste ouvert aux échanges.
Merci pour votre aide et votre indulgence.



