D’après l’électricien cela n’existe pas au Japon des boutons poussoirs momentanée en murale et j’ai cherché par moi même et je n’ai pour le moment rien trouvé sur le Japon.
Il ont juste des BP en mode opératoire interrupteur.
Merci pour la confirmation, oui effectivement je me rends compte que ça va être pas mal de taf, je m’attaque à FreeCad maintenant !
Merci effectivement j’ai pensé à mettre des capuchons de ce type pour avoir un meilleur confort maintenant il faut que je fasse un prototype.
Bonjour à tous,
Voici quelques nouvelles, j’avance doucement dans la partie électrique.
J’ai enfin refais le plan, pour nettoyer la partie général et aussi faire des schémas détailler par équipement.
je le partage ici au cas ou ça intéresser du monde, c’est à utiliser avec précaution car je ne suis pas du tous qualifier pour faire un vrai plan électrique, mais j’espère que ça pourra inspiré et montre que sans compétence et un peu de patience et de persévérance ont peut le faire
.
Toutes corrections, conseil sont évidement les bienvenus.
Version QElectroTech :
FullDiagram.zip (94,1 Ko)
Bonjour vagrantin,
Une fois de plus toutes nos remarques ne préjugent en rien de l’exactitude de l’application des normes en vigueur dans la préfecture de Yamanashi.
schéma 1 : ne dessinez rien sur les sorties 4 à 8 de l’IPX, faites un renvoi vers le schéma 2
schéma 2 : je ne comprends pas la phase branchée sur la borne 11 de l’IPX
pour rappel : votre alimentation en 110V impose de diviser par 2 les puissances commutées, ce que vous semblez respecter.
Bonne journée
Ok, merci je vais clarifier ça.
Oui,pardon, j’ai corrigé ça après l’avoir téléversé.
Oui, effectivement, j’essaie de respecter tous ça, et je compte sur l’électricien pour me dire si je fais des c…
Merci des conseils !
Matth
Bonjour,
Je suis à la recherche de mes contacteurs de puissance,
Pour le moment je ne trouve que des relais de puissance de ce type la en terme de câblage, on à le 12v DV en input pour commuté la phase ( LOAD )
Or je souhaites des contacteurs avec un câblage qui ressemblé à ceci, ou le relais commute phase et neutre, lorsque j’applique mon 12V, je ne trouve rien qui ressemble à cela que ce soit en SSR (de préférence ) ou en relais mécanique. Est-ce cela existe ? Est-ce qu’il ont un nom particulier ?
En espérant être assez clair
[EDIT]
En fait dans l’idée, c’est ça que je cherche, mais en 100v et 20/30A et la bobine en 12/24v
Bien à vous
Matth
Bonjour vagrantin,
critères de recherche : contacteur 25A, bobine 12V, rail Din ou SSR 25A, rail Din.
Pour les SSR prenez des modèles à déclenchement au passage du 0 (zerocrossing).
Bonne journée
Merci @grocrabe ,
Je continue mes recherches pour voir si je trouve mon bonheur.
Bien à vous
Matth
Bonjour,
Après des heures de recherche, je crois bien en avoir trouvé un !
Fiche produit
Spécification en pdf
A priori il est calibré pour du 25A 250VAC donc ça devrait passé pour moi au japon, mais je crois que du coup ça me fait un équivalent 10A sur du 100VAC.
Pour le moment impossible de trouvé l’équivalent en SSR.
Bien à vous
Matth
Bonjour,
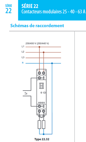
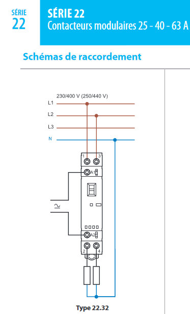
Pour information, en continuant mes recherches j’ai enfin trouvé quelques mots de vocabulaire supplémentaire. Ce type de contacteur de puissance ( par exemple Finder Serie 22 ) sont des contacteurs de type bipolaires, ils coupent la phase et le neutre en même temps.
Je ne sais pas si c’est vraiment bien ou pas mais ça me plaît pour la lisibilité du câblage, en revanche cela m’inquiète au niveau sonore, le tableau étant juste au dessus d’une chambre…
À priori il n’existe pas en SSR pour des questions de sécurité, je n’ai pas encore trouvé d’explication à ce sujet.
Bien à vous
Matthieu.
Correction, je crois que je dis des bêtises, les bipolaires ne semble pas pouvoir faire de la coupure phase et neutre, j’ai l’impression qu’il faut que je passe en quadripolaire pour coupure phase et neutre mais cela semble overkill…
D’ailleur, sur le neutre ce sont des résistances qui sont rajouté ?
Source en page 12 de ce pdf: https://docs.rs-online.com/d11a/0900766b816d4ede.pdf
Continue les recherches et vérification d’information.
Bonjour Vagrantin,
oui un bipolaire peut couper phase et neutre sauf cas particulier si vous êtes en triphasé et que vous utilisez les 3 phases pour un gros appareil (type machine-outils) ce qui est très rarement le cas pour un particulier.
Donc si vous êtes en monophasé, le bipolaire suffit, branché selon le schéma que vous avez montré :

le schéma Série 22 est un cas extrêmement particulier, lorsque vous avez besoin de commuter 2 phases d’un triphasé (certainement pas votre cas). Ce que vous appelez des résistances symbolise les charges (lampes, radiateurs,…).
Vous pouvez donc utiliser soit un bipolaire phase-neutre soit un unipolaire (SSR) sur la phase, le disjoncteur amont étant bipolaire phase-neutre.
Bonne journée
Je viens de me rendre compte que j’ai fait une boulette dans mon câblage, ici dans mon pilotage de mes relais de puissance, je coupe à la phase sur du 110v.
Du coup je viens de modifier le schéma pour faire ma coupure sur du 12v DC pour les relais Finder que j’utilise:
Dans mes tests je me suis rendu compte que j’ai besoin de mettre une temporisation de 1sec ( Ta à 1 ) sure toutes les sorties qui pilote les relais Finder, sinon ils font du yoyo ON/OFF, je ne suis pas clair sur le fait que ce soit normal ou pas en tout cas ça fonctionne.
Bonjour vagrantin,
je vois que le chantier avance… ![]()
Il existe des Finder série 22 avec bobine en 110V, mais si vous avez acheté des 12V votre dernier schéma est correct.
Quel modèle (ref complète) avez-vous acheté?
Votre pb de yoyo est surprenant. Encore plus surprenant que le fait de mettre un Ta de 1 seconde le règle puisque ça ne fait que retarder l’enclenchement de 1 seconde…
Avez-vous bien validé le câblage physique des relais?
Bonne journée
Bonjour Vagrantin,
plusieurs raisons pour que les relais réagissent comme cela :
- si des relais sont pilotés par des thermostats alors il se peut que l’hystérésis soit trop courte,
- si des relais sont pilotés par des entrées TOR (interrupteur, BP, interrupteur à flotteur, …), alors il y a des rebonds ou des faux contacts.
Le Ta est la solution aux rebonds et hystérésis courtes
pour le premier cas, il est également possible d’accroître l’hystérésis.
Pour supprimer les rebonds, il existe aussi des solutions électroniques à adapter en fonction du type de signal.
bonne journée
Bonjour Grocrabe,
Oui, cela avance bien, j’ai fait quelques photos que je vais poster dès que j’ai fait le tri ![]()
En ce qui concerne les relais j’ai pris des Finder « 22.32.0.012.4320 »
En ce qui concerne le câblage voici à quoi il ressemble, je suis pas super fan, mais j’ai pas le droit d’y touché pour des questions de responsabilité et de garantie.
Actuellement c’est stable avec un Ta à 1seconde, j’ai pas refait de test encore avec un Ta à 0.
@fgtoul , pour le pilotage il est fait depuis la Dashboard.
PS: j’ai demandé à l’électricien d’écarter un peu les relais FINDER pour qu’il y ait un minimum de circulation d’air entre eux.
Bien à vous.
Matthieu.
Bonjour vagrantin,
Pour ceux qui tombent sur ces photos, précisons que @vagrantin habite au Japon, ce qui explique les codes couleurs pour le moins inhabituels en France…
Malgré tout l’électricien aurait pu différencier le + et le - 12V autrement que par un coup de feutre sur un fil, ou un bout de gaine de couleur… ![]()
Ah les bons vieux tableaux en bois, très jolis puisque tout le bazar est caché derrière, mais quasi impossibles à faire évoluer.
En même temps il semble qu’au Japon (comme en Suisse d’ailleurs), seul un électricien qualifié a le droit d’y toucher…
Bonne journée
Bonjour vagrantin,
est-ce que le transfo 12V qui alimente les bobines des relais alimente aussi l’IPX?
est-ce que le yoyo arrive quand vous commandez plusieurs relais en même temps ou même pour un seul?
Bonne journée
je suis d’accord @grocrabe, j’ai tenter de lui faire mettre des couleur différentes mais il n’as pas voulu, voici le tableaux complet pour l’IPX et X8R.
J’ai du insisté pour avoir le bornier en bas pour avoir un brassage de câble un minimum correct.
Et voici le tableau au complet (désolé pour la qualité de la photo):
Matth



















